摘要
为了解决电力电子逆变器开路故障智能诊断面临的实际故障样本缺乏、变特征适应性问题,相应从数据、算法两大智能化要素角度提出了一套优化方法,以支撑电力电子逆变器开路故障智能诊断的实际应用。数据要素方面,提出基于逆变特性的故障样本扩增方法,明确了诊断模型训练所需的最少实际样本量;算法要素方面,提出一种诊断模型注意力增强方法以及模型频率点自适应训练方法,显著提高了面对逆变器宽频运行的模型训练效果及诊断准确率。实验验证了上述智能化要素优化方法的有效性。
Abstract
To address the challenges of intelligent diagnosis for open-circuit faults in power electronic inverters, such as the lack of actual fault samples and the issue of varying characteristic adaptability, a set of optimization methods was proposed from two key intelligent elements: data and algorithm, to support the practical applications of intelligent diagnosis for open-circuit faults in power electronic inverters. For the data element, a fault sample amplification method based on inverters′ characteristics was proposed, which finds out the minimum number of practical samples required for model training. For the algorithm element, an attention-enhanced method and a frequency points adaptive training method for the diagnosis model were proposed, which significantly improve model training effectiveness and diagnosis accuracy under wide-frequency inverter operation. The effectiveness of the proposed optimization methods for the intelligent elements was validated by experiments.
基于绝缘栅双极型晶体管(insulated gate bipolar transistor,IGBT)等半导体开关器件的电力电子逆变器在新能源发电、电机驱动、柔性输电、综合电力系统等领域承担着电能直-交变换的重要任务,其安全可靠运行至关重要[1]。然而,由于长期受电热循环、振动等作用,开关器件及其驱动、连接件等存在较高失效风险,是装置的主要故障源[2]。据统计,逆变器在变频调速系统中的故障占比高达82.5%,在光伏电站中的故障占比达到60%,而逆变器故障中约50%由开关器件及其驱动器引起[3-4]。开关器件相关故障主要使逆变器产生短路、开路两种功能性故障。其中短路故障伴随着剧烈过流,基于此已有退饱和检测、快速熔断等成熟的硬件检测或保护方法,可在10 μs内迅速结束短路状态[5-7];与之相比,开路故障通常仅引起电气量畸变而非剧烈过流,因此隐蔽性较强且可使装置在一段时间内带故障运行而不触发保护,但在电能质量、负载功能、装置安全等方面存在严重隐患[8-9]。因此,如何利用逆变器有限的传感条件对开路故障进行准确、及时诊断具有重要意义。
电力电子逆变器通常包含数个开关器件,存在不同器件开路的多种组合;同时,器件开路的故障表现与其他器件的开关动作、工况变化等相耦合。因此,如何有效建立可测故障信号与不同器件开路(开路故障模式)之间的关联模型,是开路故障诊断的关键问题。为此,已有的诊断方法主要包括基于解析建模、基于信号分析、基于数据驱动的智能建模[10-11]。其中解析建模方法需要对故障关联过程进行精确数学描述,主要适用于结构相对简单、参数可准确获取的对象[12-14];信号分析方法通过傅里叶变换、小波分析等对故障特征进行提取,随后设计基于故障特征的诊断机制,诊断效果受特征提取合理性、诊断机制鲁棒性等影响较大[15]。总体而言,这两类方法对人的主观经验和设计水平要求较高,必须保证模型细节、参数设计等与具体对象高度适配,当装置设计改变或复杂度增加时,存在移植性弱、建模难度大等不足。
基于数据驱动的智能建模方法以搜集逆变器的正常与故障数据为基础,通过一定的训练流程使建模过程对故障数据与故障模式之间的映射关系进行自动学习,减少了主观因素影响且具有更强的方法普适性[16]。该类方法又主要分为:①将信号分析与支持向量机、浅层神经网络等结合的机器学习方法[17];②依靠深层神经网络的深度学习方法[18]。前者首先通过信号分析对幅值突变、频谱异常、空间矢量轨迹变化等故障特征进行提取,随后利用机器学习来完成特征-故障模式映射训练[19-21]。如Cui等提取三相两电平逆变器输出电流小波变换后的能量值及细节系数作为故障特征参数,使用支持向量机进行开路故障诊断,但信号分析处理的计算开销较大[19]。Yang等通过聚类算法提取模块化多电平变换器子模块电容电压和电流状态变量,并以两者状态二维空间动态矢量轨迹的重合程度作为判别开路故障的依据,使用支持向量机的方法进行故障分类,但该方法在模块化多电平逆变器电平数较高时计算量较大[20]。唐志军等对模块化多电平变换器三相电压的时频数据进行傅里叶变换,使用低次谐波分量作为故障特征量,采用多分类相关向量机算法进行故障分类,但故障诊断花费时间超过20 s,诊断时间过长[21]。
深度学习方法则采用深层人工神经网络来自动实现故障特征提取与模式映射的全流程功能,进一步减弱了故障特征选择上的主观性,在自动构建和利用深层次抽象特征、简化建模流程等方面更具优势。其中,卷积神经网络(convolutional neural network,CNN)作为深度学习的重要分支,其网络各层之间具有“网络局部连接”和“卷积核权值共享”的鲜明特点,有利于保持特征细节和特征一致性,尤其适用于图像特征提取[22];同时,逆变器的故障波形具有天然的图像化属性与形态特征。因此,基于CNN的逆变器开路故障诊断得到了较多关注。Yao等利用CNN对三相三电平逆变器开路故障进行诊断,并实现了基于TensorRT的诊断模型边缘部署,但其模型训练主要基于固定频率下的仿真数据,对于更广泛工况下的数据支持和模型适应性问题未进行讨论[23];Deng等利用二维卷积神经网络对模块化多电平逆变器的故障特征进行分类并定位故障位置,但仿真及实验均是在50 Hz基波频率下开展的,对于如何支持变频工况仍有待探讨[24]。Yuan等在基于1D-CNN的中性点钳位(neutral-point-clamped,NPC)三相三电平逆变器开路故障诊断研究中,设计了自适应学习率的梯度优化方法,提高了模型训练的收敛速度,但同样缺乏对支持变频工况和突破数据瓶颈的讨论[25]。可见,上述研究均未充分考虑工况变化下的样本需求增长以及故障特征变化问题,相关方法应用在数据支撑、算法适应性方面仍面临重要挑战。唐欣等对基于CNN的逆变器开路故障诊断进行了较深入的研究,分析了故障样本数量、长度等对建模效果的影响,并初步关注了工况变化下的样本需求、模型适应性强化等问题,但研究的系统性还有所欠缺[10,26-27]。
综上所述,基于CNN的逆变器开路故障诊断作为电力电子智能化的重要方向之一,已具备较好研究基础,但仍面临着实际故障样本极其有限、工况变化使故障特征存在源头性差异等问题,使其面向实际应用的数据、算法要素有待优化。为此,本文以CNN方法为基础,一方面深入分析逆变特性并建立故障样本扩增方法,另一方面从注意力强化和训练流程优化的角度增强模型对故障特征变化的适应性,从而针对数据、算法要素形成一套优化方法,对于提升逆变器开路故障智能诊断方法的应用可行性和应用效果具有积极意义。
1 基于CNN的开路故障诊断建模与关键要素分析
1.1 电力电子逆变器开路故障分析
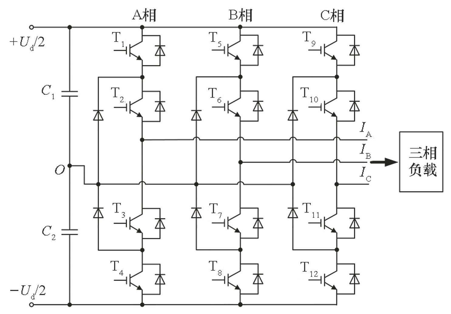
根据电压等级、谐波抑制等需求差异,电力电子逆变器具有不同拓扑结构,但核心运行机理均为利用拓扑中开关器件(以IGBT为代表)的不同开关组合来周期性控制电流流向,最终实现直-交变换。图1所示为广泛应用的NPC三相三电平逆变器拓扑,以此为具体对象开展研究。可见,拓扑中包含标记为T1~T12的12个开关器件。
图1NPC三相三电平逆变器拓扑
Fig.1Topology of NPC three-phase three-level inverter
当拓扑中的某些开关器件由于驱动异常、自身损坏等原因无法按照控制信号正常开通时,发生开路故障。此时,故障器件所在支路无法按需正向通过电流,将相应输出端三相电流波形发生如图2所示的形态畸变(部分列举),可作为检测信号用于开路故障诊断。为了便于描述,将拓扑中不同位置器件的开路组合称为不同的开路故障模式。
图2不同故障模式下的三相电流
Fig.2Three-phase currents under different fault modes
考虑到三个及以上开关器件同时发生开路故障的概率极低,按照一般惯例主要针对单器件、双器件开路进行分析[25-27]。此时涵盖“无故障”情况,根据NPC三相三电平拓扑的开关器件数量可知其有79种开路故障模式。
由于三相电流是逆变常用的闭环控制量,通常具备传感条件,且三相电流波形直接受开路故障影响,因此基于三相电流进行开路故障诊断。此时,考虑到桥臂同一侧中间管、双管开路(如图1中T2开路、T1 &T2开路)引起的电流路径异常相同(基于三相电流的故障表现相同),将其合并后的待诊断故障模式为73种[10,27]。
须解决的核心难点是:在工况变化条件下(引起三相电流幅值、基波频率、相位变化),如何有效建立各故障模式下三相电流波形与相应故障模式间的准确、快速计算映射模型。
1.2 基于CNN的开路故障诊断建模原理
基于CNN的开路故障诊断建模方法为本文的基础方法,其建模原理如图3[26]所示。
图3基于CNN的逆变器开路故障诊断建模原理
Fig.3Principle of modeling for inverter open-circuit fault diagnosis based on CNN
1.2.1 样本准备
采集各故障模式下的三相电流,并行排列、截取为长度为L的二维矩阵,随后进行数值归一化,即每个故障样本类似为L×3的灰度图像。
基于图4所示的布尔向量为样本增加标签,对应位置器件开路标记为1、反之为0。因此,NPC三相三电平的故障标签为12位布尔向量。最后将故障样本分组为训练、测试集。
图4基于布尔向量的样本标签编码
Fig.4Sample label encoding based on Boolean vector
1.2.2 模型训练
基于CNN的逆变器开路故障诊断过程如图5所示,经典CNN诊断模型为多卷积层、多全连接层串联结构。卷积层主要用于样本特征提取;全连接层主要用于特征信息综合。输出层长度与样本标签一致,通过式(1)所示的Sigmoid激活函数将各位输出压缩至(0,1)区间。
(1)
模型训练采用Binary Cross-entropy损失函数,根据式(2)计算输出与标签之间的误差。以误差最小化进行模型连接权值、阈值迭代更新。
(2)
式中,N为样本标签的位数,yi为样本标签第i位的数值,为模型输出的第i位的数值。
1.2.3 模型测试与推理应用
对单一样本进行推理测试时,按式(3)计算输出向量与各标签之间的欧氏距离,以距离最小作为标准将样本归类至对应故障模式。
(3)
按式(4)对全部测试样本计算诊断准确率Drate,若满足要求则完成模型建立,反之则优化模型超参数后重新训练。
(4)
式中,Mc为被准确诊断的样本数量,Ma为输入模型的样本总数。
最后完成模型部署,对三相电流进行实时推理,实现开路故障在线诊断,该过程如图5所示。
图5基于CNN的逆变器开路故障诊断过程
Fig.5Open-circuit fault diagnosis process for inverters based on CNN
1.3 诊断建模中智能化要素的优化需求分析
数据、算法、算力是人工智能应用的三大智能化要素。基于CNN的逆变器开路故障诊断面临着实际故障样本极其有限、工况变化使故障特征存在源头性差异的突出问题,分别对应着三大智能化要素中数据、算法要素的优化需求。
1.3.1 实际故障样本的来源瓶颈亟待突破
样本覆盖各故障模式、各工况条件的完备性,直接影响诊断建模的训练效果。然而,如图6所示,开路故障模式数量随着拓扑复杂度的增加成倍增长;负载增减、调速等工况变化以及故障时刻差异,也使得覆盖不同故障波形幅值、周期、相位所需的样本量成倍增加。
综合以上因素,支持诊断模型训练的故障样本数量预估需数以万计。但是,开路故障作为偶发异常状态,出现次数少,通过实际故障采集、实验故障注入的方式获取完备故障样本在时间和风险代价上均难以接受;基于纯仿真的故障样本则存在精度风险,可能导致诊断准确率下降。
1.3.2 故障特征变化下的模型适应性亟待强化
智能模型的功能实现具有特征提取、特征综合、模式映射的内在逻辑,保证特征提取的一致性、有效性是智能建模的先决问题。
图6诊断模型训练所需样本量估计
Fig.6Estimation of required sample size for the diagnosis model training
逆变器开路时三相电流中有效特征区段的占比较为有限,同时特征区段随样本起始相位变化而移动;此外,工况变化会引起故障特征发生明显的形态缩放,包括:
1)调压或负载阻抗变化时,三相电流幅值随之整体增大或减小,将使故障特征发生幅值方向的形态缩放;
2)调频(基波频率变化)时,三相电流周期随之延长或缩短,将使故障特征发生如图7所示的时间方向的形态缩放。
以上导致故障特征在样本端存在源头性差异。尤其对于图7中时间方向的特征形态缩放,经典CNN由于观察域尺寸(卷积核尺寸)固定,对该特征缩放的适应性较为有限,容易引起模型收敛性、泛化性问题,降低诊断准确率。
图7经典CNN以固定观察域进行特征提取
Fig.7Classic CNN performs feature extraction with a fixed receptive field
2 适应小样本及变工况的开路故障智能诊断建模
针对上述智能化要素的优化需求,结合逆变器特性及应用场景特点,从数据、算法两个方面对基于CNN的逆变器开路故障诊断方法进行综合优化。
2.1 基于逆变特性的故障样本扩增
分析逆变器的结构及运行特性,利用对称性、缩放性、周期性对不同故障样本间的形态关联进行梳理,进而建立基于少量实际样本的样本扩增方法,覆盖诊断模型的训练需求。
2.1.1 基于对称性的故障样本模式扩增
如图8所示,逆变器拓扑具有上下桥臂对称、相间对称的特点,使相关对称位置开路时其故障样本具有形态上的对称性。
例如以NPC三相三电平逆变器为例,记某条样本数据为S=[sA,sB,sC],其中sA、sB、sC分别为A、B、C相的数据。记取反操作如式(5)所示,记相间交换操作如式(6)所示。
(5)
(6)
若已知T1开路时的1条样本数据为ST1,则可根据上下桥臂对称性推导出T4开路时的1条样本数据为ST4=neg(ST1),根据相间对称性推导出T5开路时的1条样本数据为ST5=swi(ST1),进一步可推导出T8、T9、T12开路时的1条样本数据分别为ST8=swi(neg(ST1))、ST9=swi(swi(ST1))、ST12=swi(swi(neg(ST1)))。
将上述相互可推导的T1、T4、T5、T8、T9、T12开路故障模式记为一组,同理可根据对称性将NPC三相三电平逆变器待诊断的全部73种开路故障模式分为14组,如表1所示。因此,只需要实际采集14种故障模式下的样本,就可根据对称性扩增出覆盖所有待诊断故障模式的样本。
2.1.2 基于缩放性的故障样本频率扩增
工况变化中调压或负载阻抗变化主要使故障后的三相电流发生幅值方向的形态缩放,调频(基波频率变化)则使故障后的三相电流发生时间方向的形态缩放。
对于三相电流幅值进行缩放无须进行样本扩增,只需在样本预处理时根据式(7)将数据归一化至[0,1]区间,即可消除幅值缩放对故障特征提取的影响,同时有利于诊断模型的训练收敛。
图8由拓扑对称性产生的故障样本对称性
Fig.8Symmetry of fault samples caused by the topological symmetry
表1开路故障模式的对称性分组
Tab.1Symmetry grouping of open-circuit fault modes
(7)
式中,smax、smin分别为归一化前样本S中的最大、最小数值点。
对于三相电流在时间方向的形态缩放,为了覆盖低频应用场景,对某固定基波频率下的样本进行如图9所示的插值与截取操作,可扩增得到降频样本;同理为了覆盖高频应用场景,对某固定基波频率下的样本进行如图9所示的周期延拓与重采样操作,可扩增得到升频样本。
图9基于缩放性的故障样本频率扩增
Fig.9Fault sample frequency amplification based on scalability
2.1.3 基于周期性的故障样本相位扩增
逆变调制及其三相输出通常具有周期性,即当输出频率稳定后任意截取的定长样本(长于1个基波周期)仅存在相位差异。因此,实际只需在每种开路模式下采集1条基波时长的样本,就能通过图10所示的周期延拓、随机截取,得到任意数量及起始相位的样本,以覆盖故障时刻、负载变化等引起的故障特征相位变化。
综合上述基于对称性、缩放性、周期性的故障样本扩增方法,对于NPC三相三电平拓扑,实际仅需对14种开路故障模式分别采集1条样本就可扩增出满足训练需求的样本集。
图10基于周期性的故障样本相位扩增
Fig.10Fault sample frequency amplification based on periodicity
2.2 诊断模型注意力强化及频率点自适应训练
除了保证训练样本具有覆盖各故障模式、各工况及相位的完备性,针对故障特征在样本端的源头性差异,分别从诊断模型设计、训练方面提出优化方法。
2.2.1 诊断模型的自注意力强化
即便开路故障模式相同,当工况(尤其基波频率)、故障时刻变化时,样本中故障特征的分布范围、出现次数、位置也将发生改变。为此,受大语言模型中重要的Transformer模型结构启发,提出基于自注意力强化的CNN诊断模型优化设计方法,使模型更专注于样本中的故障信息、增强模型对样本特征变化的适应性。
自注意力机制(self attention mechanism,Self-AM)通过计算输入中不同位置之间的相关性来得到各位置的自注意力表示。对于基于三相电流样本的开路故障特征提取,考虑不同位置注意力的并行计算,具体实现步骤如下。
步骤1:通过卷积运算对中间矩阵Q、K、V进行计算。如图11所示,通过三组并行的二维卷积核WQ、WK、WV将样本不同片段Xi映射为各查询向量qi、键值向量ki、值项向量vi,并按片段的先后顺序排列组合为中间矩阵Q、K、V。为了便于尺度还原,其中WV的卷积核层数一般与样本通道数保持一致。
步骤2:计算输出矩阵Z。通过内积计算qi和各位置ki之间的相似度向量,数值缩放后经Softmax激活函数计算注意力权重向量,最后将注意力权重向量与各位置vi进行加权求和,得到各位置的输出zi。矩阵化的计算公式如式(8)所示。
(8)
图11Self-AM的中间矩阵计算
Fig.11Intermediate matrix computation of Self-AM
式中,d为单个输入片段的长度,用于相似度向量的数值缩放,保证模型训练中误差反向传播时的梯度稳定。从以上对Self-AM的计算过程可以看出,其本质是对样本不同片段之间的关联特性进行了计算,以此作为对各片段增加权重的依据,从而突出对建模有利的关键信息的输出占比。
步骤3:通过图12所示的残差连接将Self-AM嵌入原CNN诊断模型,构建对样本故障特征变化具有更强适应性的Self-AM-CNN模型。
图12通过残差连接在诊断模型中嵌入Self-AM
Fig.12Embedding Self-AM into the diagnostic model via residual connection
2.2.2 基于样本动态扩增的诊断模型频率点自适应训练方法
为了适应逆变器宽范围的基波频率变化,即增强宽域调频下诊断模型对时间方向上的故障特征形态缩放的适应性,除2.2.1节增强模型结构的注意力外,考虑在模型训练时选择调频范围内多个频率点处的故障样本作为训练集,从样本端提供不同缩放形态的故障特征供模型学习。为此,在如图13(a)所示固定频率点的传统模型训练流程的基础上,提出如图13(b)所示的频率点自适应训练方法,以提高故障诊断准确率,为目标在模型训练过程中自动产生最优的训练频率点组合。
图13诊断模型的训练流程优化
Fig.13Optimization of diagnosis model training process
主要包含以下步骤:①任选一个逆变器应用工况内的基波频率作为初始的训练频率点;②在此频率点下按2.1节进行样本扩增,得到训练集;③用训练集进行常规模型训练;④用密集覆盖逆变器应用频率范围的测试集对模型进行测试,随后分别计算模型在各频率点的损失函数值;⑤定位损失函数值最大的频率点(代表诊断准确率较差),加入训练频率点集;⑥根据扩充后的训练频率点集进行新一轮样本扩增,用于下一轮训练。如此循环迭代,直至自动产生保证模型训练效果的样本频率分布,使模型在各频率点的诊断准确率达到均衡。
3 实验验证
3.1 实验平台
搭建了如图1所示主电路拓扑的NPC三相三电平逆变实验平台,可将建立的诊断模型部署于边缘智能板卡[27],利用电流传感器与数据采集卡对三相电流进行采样,随后传输至边缘智能板卡进行开路故障在线诊断,并将诊断结果实时展示在显示屏上。实验中通过断开控制器与IGBT驱动板之间的通信来注入开路故障。
针对模型训练需求。仅在基波频率为50 Hz时对表1所列各分组中的第一种故障模式的三相电流采集1条样本(共计14条样本)。随后根据2.1节所述故障样本扩增方法,可按需对全部73种故障模式的样本进行生成,并可按需覆盖不同的基波频率和初始相位。
3.2 诊断模型固定频率点训练的效果分析
在2~200 Hz基波频率下(覆盖轨道交通、船用推进、泵组的常用频率),对传统CNN与Self-AM-CNN进行对比。为了保证对比条件一致,训练集统一在几个间隔分布的固定频率点下扩增得到,测试集则在2~200 Hz内每间隔1 Hz密集取样,以充分验证模型在各频率下的训练精度,具体样本参数如表2所示。
表2模型训练和测试的样本参数
Tab.2Sample parameters for model training and testing
两种模型均基于TensorFlow框架搭建,具体结构参数对比如表3所示,可见Self-AM-CNN在CNN的基础上仅根据图12增加了自注意力机制,其余参数均保持一致。随后根据图13(a)对两种模型进行训练,训练硬件为R9000K2021H型笔记本电脑(GPU:Nvidia GeForce3080),训练轮数在保证模型收敛的情况下保持一致。
表3两种模型的结构参数对比
Tab.3Comparison of structural parameters between the two models
将包含314 420条样本的测试集分别输入完成训练的CNN模型、Self-AM-CNN模型,两者对各故障模式的诊断效果对比如图14所示。可以看出,CNN模型出现了较多偏离原故障模式的诊断结果(图14中的蓝色“*”),即发生误诊断的次数较多。进一步对诊断结果进行统计,并根据式(4)计算诊断准确率Drate,CNN在所有测试样本中共发生10 707次误诊断,整体Drate为96.59%;Self-AM-CNN在所有测试样本中则共发生1 497次误诊断,整体Drate提升至99.52%,优于CNN模型。
图14固定频率点训练下各故障模式的诊断效果
Fig.14Diagnosis performance of the fault modes under fixed frequency point training
将上述诊断结果进一步整理为各测试基波频率点上的Drate,得到CNN、Self-AM-CNN模型的Drate分布对比,如图15所示。可以看出,CNN在较多频率点处的Drate出现了明显下降,在3 Hz处最低仅为43.35%;Self-AM-CNN的Drate分布情况整体优于CNN,在3 Hz处最低为68.48%。以上验证了Self-AM-CNN模型相较经典CNN模型对于样本故障特征变化具有更强的适应性。
图15各频率点上的Drate
Fig.15Drate of different frequency points
此外从图15可以看出,通过在间隔分布的固定基波频率点下进行诊断模型训练,能够使模型具备覆盖较宽频率的诊断能力,但是在局部频率区间内可能出现Drate下降的情况。因此,开展图13(b)所示的频率点自适应的模型训练,即在训练过程中实现Drate下降区间自动定位和模型针对性增强训练,具有重要意义。
3.3 诊断模型频率点自适应训练的效果分析
根据图13(b),对Self-AM-CNN模型进行频率点自适应训练。在第一轮训练中将50 Hz作为初始训练频率点,随后的每轮训练中根据上一轮训练效果动态增加训练频率点,使Drate在整个频率范围内实现自适应均衡。模型结构、测试样本均与3.2节保持一致。
图16所示为对Self-AM-CNN模型进行9轮频率点自适应训练的效果。可以看出,训练过程通过逐轮对Drate较低区域自动增加训练频率点,实现了Drate在整个频率范围内的逐轮提升和均衡。经统计,产生的训练频率点序列为[50 Hz,4 Hz,200 Hz,35 Hz,67 Hz,3 Hz,44 Hz,32 Hz,111 Hz],可见低频区间的频率点较多,符合图15所示Drate在低频区间需要增强训练的结果。
图16频率点自适应训练的Drate变化过程
Fig.16Variation process of Drate in frequency point adaptive training
图17所示为Self-AM-CNN模型在9轮频率点自适应训练中整体Drate的变化曲线。可见第5轮训练后(使用了5个自动选择的频率点),Drate已达到99.94%,优于基于5个固定频率点训练的99.52%。
图17整体Drate随训练轮次的变化曲线
Fig.17Variation curve of Drate with the change of training rounds
在完成第9轮训练后,在测试集上的Drate达到100%,对各故障模式的诊断效果如图18所示,可见全部诊断结果均与原故障模式相符,表明Self-AM-CNN配合频率点自适应训练能够有效提高诊断准确率。注:T1&T2、T3&T4、T5&T6、T7&T8、T9&T10、T11&T12开路根据表1进行了故障模式合并,因此不是单独的开路故障模式。
图18各故障模式的诊断效果(频率点自适应训练)
Fig.18Diagnosis performance of the fault modes (frequency point adaptive training)
4 结论
针对电力电子逆变器开路故障智能诊断面临的实际故障样本缺乏、故障特征随工况变化的突出问题,从数据、算法两大智能化要素角度提出了一套优化方法。数据要素方面,提出了基于逆变对称性、缩放性、周期性的故障样本扩增方法,对于NPC三相三电平逆变器,实际仅需对14种开路故障模式分别采集1条样本,就可扩增出满足模型训练需求的样本集。算法要素方面,提出了融合自注意力机制的Self-AM-CNN模型,以及模型频率点自适应训练方法,旨在增强模型对于故障特征宽域变化的适应性。实验结果表明,基于扩增方法得到的故障样本集能够有效支撑诊断模型训练;相较传统CNN、Self-AM-CNN模型对于故障特征变化具有更强的适应性,进一步配合频率点自适应训练方法能够达到优异的诊断准确率。
本文结果是基于实验平台实测数据在离线情况下建模和测试得到的,在以下方面值得进一步研究:一是基于实验平台自动化测试能力提升,充分开展诊断模型在线验证;二是针对智能化应用的算力要素,推进诊断模型轻量化设计和高性能集成部署相关研究。




