摘要
激光诱导击穿光谱(laser induced breakdown spectroscopy, LIBS)结合门控光电倍增管(photo multiplier tube, PMT)技术中的信号采集装置是影响LIBS分析系统小型化与集成化的关键组件之一,通过采用微控制芯片与AD9226芯片设计实现了7.6 MHz采集频率的12 bit PMT信号高速采集系统,并对水溶液中铅(Pb)、铬(Cr)元素进行了定量分析。实验结果表明,LIBS结合门控PMT分析系统采用高速采集系统建立的Pb、Cr元素定标曲线拟合度分别为0.988、0.978,相对标准偏差分别为3.56%、6.57%,检出限分别为0.013 mg/L与0.087 mg/L,相比未采用PMT的LIBS检测技术降低了一个数量级。与电感耦合等离子体质谱法对比结果显示,对质量浓度为7.0 mg/L的Pb溶液与0.7 mg/L的Cr溶液,检测结果的相对误差分别为2.81%、3.26%。因此PMT信号高速采集系统在水溶液重金属的LIBS分析中具有良好的定量效果,且具有体积小、功耗与成本低的优势,有利于进一步推进LIBS技术在水质重金属检测领域中的应用。
Abstract
LIBS (laser induced breakdown spectroscopy) combined with the signal acquisition device of gated PMT(photo multiplier tube) technology is one of the key components that affect the miniaturization and integration of the LIBS analysis system. Therefore, a 12 bit PMT signal high-speed acquisition system with a 7.6 MHz acquisition frequency was designed and implemented using a microcontrol chip and an AD9226 chip. The element lead(Pb) and chromium (Cr) were quantitatively analyzed. The experimental results show that LIBS combined with Gated-PMT analysis system adopts high-speed acquisition system to establish Pb, Cr element calibration curve fitting degree is 0.988, 0.978, relative standard deviation is 3.56%, 6.57%, detection limit is 0.013 mg/L and 0.087 mg/L, respectively. Compared with the LIBS detection technology without PMT, it is an order of magnitude lower. Compared with inductively coupled plasma-mass spectrometry, the relative errors of Pb solution with 7.0 mg/L and Cr solution with 0.7 mg/L were 2.81% and 3.26%, respectively. Therefore, the PMT signal high-speed acquisition system has a good quantitative effect in the LIBS analysis of heavy metals in aqueous solutions, and has the advantages of small size, low power consumption and low cost, which is conducive to further promoting the application of LIBS technology in the field of water quality heavy metal detection.
激光诱导击穿光谱(laser induced breakdown spectroscopy,LIBS)技术是一种新兴的光谱检测技术,其主要通过一束高能脉冲激光烧蚀待测样品产生等离子体,通过采集等离子体的发射光谱,对待测样品的元素进行定性定量分析[1]。LIBS技术由于其快速、原位、全元素同时分析的特性,被广泛应用于工业检测、水体监测、矿石分析、生物医学等领域[2-5]。光电倍增管(photo multiplier tube,PMT)是一种高灵敏的光学探测器,当光子击中PMT的光电阴极时,光电阴极会发射电子,电子经过加速后连续碰撞若干个倍增极,每次碰撞产生更多的次级电子,最终这些电子富集在阳极上,形成一个电信号[6]。PMT因其高增益、快速响应和宽波长响应范围而被广泛应用于光谱分析、医学成像、核物理实验领域等[7-9]。
水质重金属检测对痕量元素检测有高灵敏的需求,然而传统LIBS技术中,Feng等[10]采用滤纸为喷头实现LIBS雾化检测,Cr检出限为67.9 mg/L,Kim等[11]结合电沉积法对Fe的检出限达到1.412 mg/L。因此LIBS结合PMT检测技术在水质重金属检测中有较好的应用前景。PMT信号采集需要针对特定的场景开发不同的采集模块,目前LIBS结合PMT检测技术所采用的采集方案如下。Chen等[12]采用衍射光栅结合单色器实现单波长检测,利用250 MHz示波器采集PMT信号的方法,以木片为衬底,并用LIBS结合PMT分析,对Cr、Cu、Cd的灵敏度达到了0.034 mg/L、0.029 mg/L、0.59 mg/L。吴江来等[13]对竖直流动的溶液进行检测,采用双光栅单色仪分光后将LIBS信号输入PMT中,并使用门积分平均器(Boxcar(SR250))采样平均的方法,对Cu和Pb的检测灵敏度分别为31 mg/L和50 mg/L。Kang等[14-15]以木片为衬底,使用门控PMT结合LIBS-LIF技术,利用单色仪分光,并用500 MHz数字存储示波器(GDS-3502,GW-INSTK)采集PMT信号,对Cu和Pb的检测灵敏度分别达到了0.32 μg/L和3.96 μg/L。Wang等[15]对比了双脉冲LIBS、LIBS-LIF与LIBS,Godwal等[16]采用带宽为2 nm的滤波片代替单色仪,并结合LIBS-LIF技术,对水溶液中的Pb检测灵敏度达到了70 μg/L。Wu等[17]探究了时间分辨LIBS光谱对水溶液中Ca含量检测的应用,通过门积分平均器接收并平均积分PMT信号,对水溶液中Ca含量的检测灵敏度达到25 mg/L。唐坤鹏等[18]通过场效应管控制PMT第一、二倍增极上的电压实现门控功能,采用数字存储示波器接收PMT信号,并测试了铝合金中的Cu元素的LIBS信号,检出限达到1.02×10-6。李香宇等[19]采用多路模拟开关实现了PMT的门控功能,时间分辨精度为50 ns,并基于集成运放、电容和模拟开关搭建了有源积分电路,通过控制四个模拟开关实现对PMT信号在不同时间下的积分,并使用微控制器(microcontroller unit,MCU)芯片的模数转换(analog-to-digital converter,ADC)模块采集实验结果。
目前,PMT结合LIBS技术分析领域大多采用数字存储示波器、门平均积分器等仪器采集PMT信号,然而以上系统存在操作复杂、信号易饱和的问题,同时大体积将增加设备复杂度。因此针对基于门控PMT探测的LIBS分析系统的信号采集,开发一种操作简单、动态范围大、体积小的采集系统具有重要的研究意义。
针对以上问题,基于高速模数转换芯片AD9226开发了一款可应用于基于门控PMT探测的LIBS分析系统的门控PMT信号高速采集系统,并开发上位机可视化软件。将该系统实际应用于水溶液重金属Pb、Cr元素的定量检测,并将其与电感耦合等离子体质谱法(inductively coupled plasma-mass spectrometry,ICP-MS)结果对比,证明了该系统探测LIBS信号的可靠性。此外,该采集系统体积小,成本与功耗低,在设备集成上有明显优势。
1 系统开发
1.1 基于AD9226的PMT信号高速采集系统设计
基于AD9226的PMT信号高速采集系统的主要系统原理如图1所示。基准时钟为MCU提供25 MHz基准时钟,MCU芯片内部集成时钟倍频电路(phase-locked loop,PLL),对外部基准时钟经两次分频与一次倍频后得到400 MHz的系统时钟频率。MCU内部集成了用于控制高速外设的AHB2总线,本工作主要使用挂载在AHB2总线上的三个通用输入输出端口(general-purpose input/output,GPIO)外设模块。AHB2总线为CPU与GPIO端口之间的数据传输提供通道,以支持CPU与GPIO外设控制寄存器的通信,从而实现CPU对GPIO模块的配置和控制。PLL生成的系统时钟频率将直接影响GPIO端口的工作频率。三个GPIO模块分别实现电路控制、AD9226控制、外触发控制、通用同步/异步接收/发射机(universal synchronous/asynchronous receiver/transmitter,USART)串口通信的功能。
图1主要系统原理图
Fig.1Main system schematic diagram
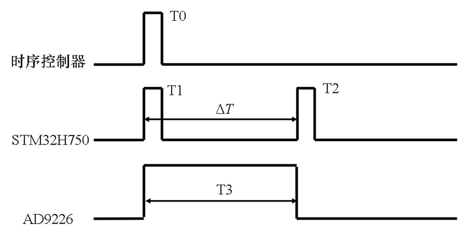
系统设计主要可以分为硬件设计和软件设计。硬件设计如图2所示,主要包括微控制器MCU(STM32H750,STM32F103)与高速采集芯片AD9226芯片。STM32F103主要用于PMT的增益电压与工作模式的监控,STM32H750主要用于实现与AD9226的控制与通信。AD9226是一款TI公司设计的12 bit、最大采样速率为65 MHz的采样芯片,其采用了差分输入结构,能够有效降低共模噪声与地线噪声,具有高抗干扰能力以及高精度与高动态范围的特性。此外,其输入信号可以直接驱动高频信号源,无须外部增益电路,降低了设计成本与功耗。该芯片12 bit数据支持并行数据接口,适用于高速数据处理。时序控制器发送脉冲控制门控PMT采集光谱,脉冲延时与门宽控制PMT采集延时与采集门宽,同时触发H750工作。H750的对应GPIO模块生成脉冲信号,控制AD9226采集信号并接收采集结果。H750与AD9226的单次采样控制时序如图3所示,其中T0表示时序控制器触发H750,H750被触发后由GPIO端口发送脉冲触发AD9226(T1),AD9226对信号进行模数转换采样(T3),采样完成后H750接收并计算转化AD9226的采样值(T2),其中依据AD9226工作特性,ΔT需大于3.5 ns才能得到正确的转换结果。门控PMT模块选用日本滨松光子生产的门控PMT(H11526-20-NF),其响应波段为230~920 nm,暗电流为10 nA,响应速度为2.7 ns,有效增益电压范围为0.4~0.9 V。软件设计基于Python与Qt Designer实现,主要包括外触发时序控制、数据接收保存、接收数据并实时拟合、串口选择、设备选择功能。
图2硬件设计
Fig.2Hardware design
图3单次采样时序
Fig.3Single sampling sequence
1.2 LIBS系统实验装置
本实验所采用的LIBS实验装置如图4所示。主要由高能量二极管泵浦全固态调Q激光器(长春新产业DPS-1064-BS-D,波长1 064 nm,脉冲能量30~100 mJ,脉冲频率1~20 Hz)、聚焦透镜、405 nm超窄带滤波片(Alluxa405-2 OD4,带宽2 nm)、520 nm超窄带滤波片(Semrock BrightLine FF01-520/5-25,带宽5 nm)、中性密度滤波片(Thorlabs,NDUV40A,OD2,带宽200~1 200 nm)、三维位移平台、门控PMT模块(H11526-20-NF)、时序控制器HCLDG(武汉华创智联光电有限公司,调节精度5 ns)、光谱仪(Avantes,AS-5216-DLL)、基于AD9226的PMT信号高速采集系统(包含增益模块、AD9226和STM32H750)与计算机组成。
图4LIBS实验装置图
Fig.4Experimental sets of LIBS
当系统开始工作时,上位机软件发送指令至时序控制器,时序控制器发送脉冲至激光器与MCU,触发激光器出光以及MCU工作。激光器产生脉冲激光,激光经聚焦透镜(优光科技,PCX1805,焦距75 mm)聚焦于样品表面,产生等离子体,等离子体辐射光经滤波片、衰减片和聚焦透镜(优光科技,DCV0802,焦距5 mm)后聚焦至门控PMT,时序控制器控制门控PMT开始采集等离子体辐射光,同时高速采集系统采集PMT信号。MCU控制AD9226进行采集并接收采集数据,经运算后转化为对应信号幅值,并发送至上位机软件,上位机接收数据后将其保存至指定路径的csv文件中。采集完成后上位机读取本次采集的所有幅值,并生成拟合图显示在上位机软件中。
1.3 实验样品
选取1 000 mg/L的Pb标准溶液(GSB04-1742-2004)、Cr标准溶液(GSB04-1723-2004)和去离子水,配制质量浓度梯度为1.0 mg/L、2.0 mg/L、4.0 mg/L、6.0 mg/L、8.0 mg/L、10.0 mg/L的Pb标准溶液与质量浓度梯度0.1 mg/L、0.2 mg/L、0.4 mg/L、0.6 mg/L、0.8 mg/L、1.0 mg/L的Cr标准溶液。选取购自Kurt J. Lesker 公司的纯度为99.993%~99.995%的Zn板作为基板。对实验样品进行如下预处理:
1)将Zn基板裁剪至合适大小后展平,并使用无水乙醇清洗表面;
2)使用移液枪将不同质量浓度的溶液滴加在Zn基板上,每滴溶液体积为50 μL;
3)在恒温加热台上以70℃恒温蒸干,如图5所示。
图5样品预处理流程
Fig.5Sample pretreatment process
2 结果与讨论
2.1 LIBS水质检测
选取上述配制的Pb、Cr溶液,采用的实验参数如下:激光器能量100 mJ,采集延时2 μs,采集门宽9 μs,每个样品采用15×15的面扫方式采集光谱,一个样品得到225幅光谱,一种质量浓度样品重复实验4次,共得到900幅光谱并平均为1幅。选取Pb Ⅱ 405 nm与Cr Ⅱ 520 nm谱线进行定标拟合,拟合结果如图6所示。由图6可知,Cr的定标结果较差,可被认定为未检出。Pb的定标拟合度为0.97,相对标准偏差(relative standard deviation,RSD)为18.35%。检出限(limit of detection,LOD)计算公式如式(1)所示,σ表示标准偏差,k表示定标曲线斜率,可得Pb的检出限为0.22 mg/L。
(1)
图6Pb、Cr元素定标拟合曲线
Fig.6Calibration fitting curve of Pb, Cr
2.2 性能测试
高速采集系统主要包括电源、数据传输模块、AD9226采集模块与单片机模块,高速采集系统体积为10.0 cm×5.5 cm×20.0 cm,功耗小于等于1 W,成本小于400元。
为满足LIBS光谱应用需求,使用示波器(Tektronix MSO54B)的信号发生功能产生周期为10 μs、峰-峰值为2.5 V、偏置为1.25 V的三角波与正弦波,并对比示波器(Tektronix MSO54B)与高速采集系统的采集结果,如图7所示。
图7示波器与高速采集系统的采集结果对比
Fig.7Comparison of acquisition results by oscilloscope and high-speed acquisition system
对采集结果进行非线性拟合,高速采集系统与示波器对正弦波的采集结果拟合度均达到0.999以上,对三角波的采集结果拟合度分别为0.984和0.985,因此高速采集系统采集结果与示波器采集结果基本一致。
经实测,由于H750的输入输出(input-output,IO)端口速度限制,该系统对一个周期(10 μs)的信号的平均采集次数为76,因此高速采集系统的采样率为7.6 MHz。
2.3 延时优化
等离子体形成初期有较强的连续背景辐射,易导致PMT过曝光,这不仅会损坏仪器,还会使实验精度下降,因此需要优化实验的延时参数。以信噪比作为衡量参数,以空白Zn基板作为背景噪声,选取10 mg/L质量浓度的Pb溶液,选取激光能量100 mJ,采集光谱信号,每个样品重复实验10次,平均为1幅光谱,在2 μs、3 μs、4 μs、5 μs的延时下分别进行实验,并建立延时与信噪比曲线,如图8所示。由图8可知,在3 μs下,信噪比最高,且RSD最小,因此选取3 μs作为实验的延时参数。
图8不同延时下PMT信号信噪比对比
Fig.8Comparison of PMT signal signal to noise ratio under different delay
2.4 定量分析
选择上述配制的Pb和Cr溶液,采用的实验参数如下:激光器能量100 mJ,采集延时3 μs,PMT采集门宽15 μs,选用单次采集的方式,在门控PMT前加装透镜组,主要包括OD2中性密度滤波片、Pb Ⅱ 405 nm或Cr Ⅱ 520 nm的滤波片和焦距为50 mm的聚焦透镜。检测Pb和Cr元素的PMT增益电压分别为0.48 V与0.46 V,此时最高质量浓度下PMT信号接近饱和,每20幅信号平均为1幅信号。分别以Pb的质量浓度为1.0 mg/L、Cr的质量浓度为10.0 mg/L为例,PMT采集平均信号如图9所示。选用优化后的积分时间3.12~9.88 μs,对平均信号积分得到相对光谱强度,图中以积分的物理意义面积S表示。由图9可知,针对同一种元素,溶液质量浓度越高,相对光谱强度越大。
对Pb和Cr的定标拟合结果如图10所示。由图10可知,采用PMT信号高速采集系统的LIBS-门控PMT分析系统对Pb和Cr的定标曲线拟合度分别为0.988与0.978,RSD分别为3.56%与6.57%,检出限分别为0.013 mg/L与0.087 mg/L。实验结果表明,PMT信号高速采集系统能够较好地应用于LIBS-门控PMT系统检测水体重金属领域。
图9Pb Ⅱ 450 nm与Cr Ⅱ 520 nm谱线在不同质量浓度下平均PMT信号图
Fig.9Average PMT signal plots of Pb Ⅱ 450 nm and Cr Ⅱ 520 nm spectral lines at different mass concentrations
图10Pb、Cr元素定标拟合曲线
Fig.10Calibration fitting curve of Pb, Cr
2.5 标准Pb和Cr溶液定量检测结果分析
为进一步验证该采集系统的可靠性与准确性,选用1 000 mg/L的Pb标准溶液(GSB04-1742-2004)、1 000 mg/L的Cr标准溶液(GSB04-1723-2004)和去离子水配制含量为7.0 mg/L的Pb溶液与0.7 mg/L的Cr溶液进行对比验证实验。具体结果如表1所示,应用PMT信号高速采集系统的LIBS-门控PMT分析系统检测Pb和Cr的检测值分别为7.27 mg/L和0.75 mg/L,相对误差分别为2.81%和3.26%。
表1不同检测方法对标准Pb、Cr溶液的检测结果
Tab.1Detection results of Pb and Cr with different detection methods
3 结论
本文设计了LIBS-门控PMT系统的PMT信号高速采集系统,其采样频率为7.6 MHz,相比数字示波器和门平均积分器具有体积小、功耗与成本低的优势。采用PMT信号高速采集系统的LIBS-门控PMT系统对水质重金属Pb和Cr元素进行定量检测,定标拟合度分别为0.988和0.978,相对标准偏差分别为3.56%与6.57%,检出限分别为0.013 mg/L与0.087 mg/L,相比未采用PMT的LIBS检测技术降低了一个数量级。对质量浓度为7.0 mg/L的Pb溶液和0.7 mg/L的Cr溶液进行检测,与ICP-MS检测结果的相对误差分别为2.81%与3.26%,满足LIBS的检测精度要求。综上所述,PMT信号高速采集系统能够应用于LIBS-门控PMT水质重金属检测系统中,对LIBS在水质重金属检测的实际应用具有推动意义。




